Geberit

Geberit Duofix bidetelement - lav model

Geberit Duofix bidetelement - lav model
Antal
Fragt: 99,-
1.957,-
VVS-nummer:617065100
Varenummer:111.524.00.1
Leveringstid:1-2 hverdage
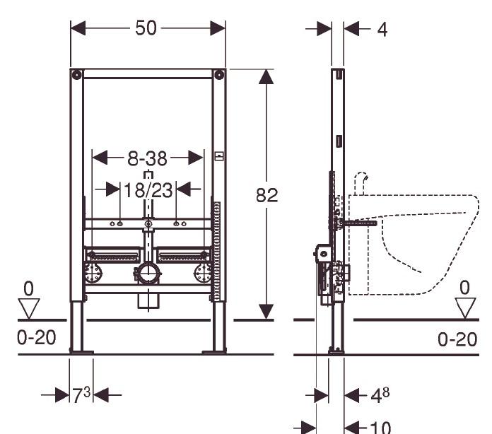
Højde:82 cm
Montering:Inde i væg (traditionel indbygning)
Anvendelse:Bidét
Fri fragt fra 4.995,-

Geberit Duofix bidetelement - lav model. Duofix installationselement for bidet. Med komplet befæstigelsesmateriel. Med 2 stk. M12 bolte for montage af bidet, bolteafstand 18 eller 23 cm. Med dybdeindstillelig plade for armaturtilslutning, passende til koblingsdåse for rør i rørsystemer, inkl. Ø50 mm afløbsbøjning og gummimanchet.

Ved montering foran væg anvendes montagesæt. Se relaterede produkter

Specifikationer:
Højde: 82 cm

Geberit nr. 111.524.00.1

 
VIND gavekort på 1000 kr!
Tilmeld dig vores nyhedsbrev. Vinder for april: Lisbeth Bergholt
Navn: 
E-mail: