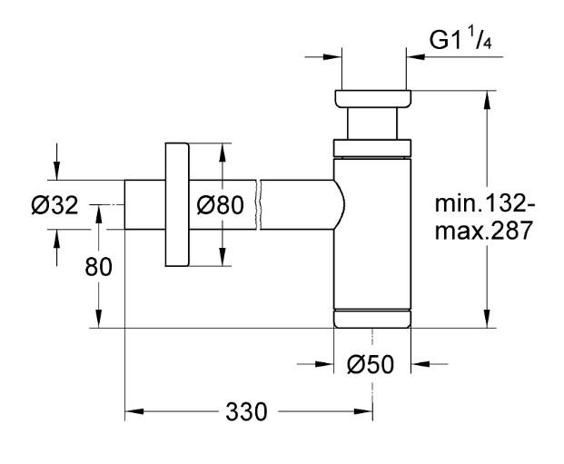
Grohe vandlås 1 1/4" til håndvask - Krom
Chat med os
Send en mail
Et godt tilbud
Fragt fra 45,-
Sikker handel