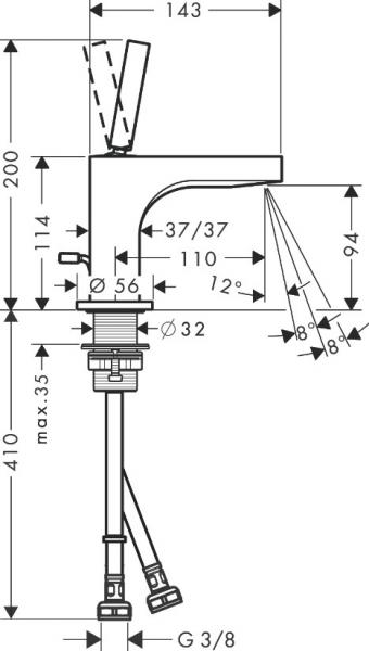
AXOR Citterio håndvaskarmatur - lille model
Chat med os
Send en mail
Et godt tilbud
Fragt fra 45,-
Sikker handel