![]() ![]() |
|
||||||||
|
Fri fragt fra 4.995,-
|
|||||||||
|
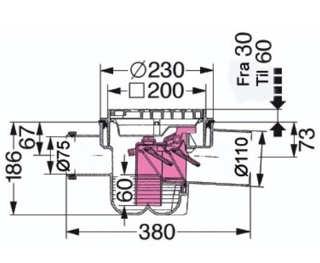
Lauridsen Kessel gulvafløb 110 mm m/højvandslukke Universal gulvafløb med stålrist og integreret højvandslukke (type 5) Kessel kælderafløb type 5 med aftagelig højvandslukke anvendes til ikke-fækalieholdigt spildevand. Afløbet har to klapper, hvoraf den ene klap kan tvangslukkes med håndkraft. Dette fungerer som en nødlukning. Topstykket er teleskopisk, hvorved det kan højde- og niveaujusteres, så det passer til gulvets højde samt hældning. Gulvafløbet leveres med vandlås, aftagelig slamfang samt tre tilløbsstudser. Gulvafløbet fra Kessel installeres i betondæk/gulv. Den rustfrie rist er 200x200 mm. Fordele
|


Indhent tilbud her
Fri fragt fra 4.995,-
Godkendt webshop